一、氮化鎵的發展與前景
5G、6G、定位通信裝置網絡、微波rf射頻通信裝置汽車雷達將帶動半導體行業技巧芯片素材素材改變性的變動,如今通訊網絡頻段向中頻轉化,移動信號塔和通信裝置網絡裝置還要支持軟件中頻能力的rfrf射頻元件。與Si基半導體行業技巧芯片素材差距,有所作為最后點代半導體行業技巧芯片素材的是指會,GaN兼備更大電商轉化率、飽和電商時間和損壞磁場的勝機將慢慢的展示出。恰好這些勝機,以GaN為是指會的最后點代半導體行業技巧芯片素材素材和元件因良好的的炎熱高壓力及中頻特質,被會認為是電業電商和微波rf射頻通信裝置rfrf射頻技巧的中心。 近年來GaN枝術的較為早熟,日本開始了將GaN電效率集成電路芯片向太空站船適用存儲,多方面樹立寬禁帶半導的原材料為根基的GaN集成電路芯片的之前優越,加工而成毛重更輕、基本功能更強勁的太空站船適用的電子器材專用設備專用設備。給出Yole Development 的走訪調研數據庫信息顯示,今年亞洲GaN電效率市場的規模約為4500萬澳元,開展2026年可以起到15000萬澳元,2020-2026年CAGR有機會起到70%。從現下中國大看,GaN是現下能時候控制中頻、有效率、大電效率的是性集成電路芯片,是支撐著“新基礎設施建設工程”建設規劃的關鍵點重點部件,這樣有利于“雙碳”關鍵控制,力促藍色節能減排發展,在5G通信基站、新新再生資源技術e電動充電樁等新基礎設施建設工程是中都有了適用。近年來部委政策措施的力促和市場的業務需求,GaN集成電路芯片在“快充”大環境下,有機會隨中國大劃算的新生兒復蘇和生產電子器材專用設備碩大的庫存量市場而更快的破圈。發展,近年來新基礎設施建設工程、新新再生資源技術、新生產等教育領域的連續深化,GaN集成電路芯片在現下中國大市場的適用進而體現更快的倍增的經濟形勢。

二、氮化鎵器件工作原理
典例的GaN HEMT功率器件節構有以下幾點圖圖甲中,從上向上先后各為:柵極、源極、漏傾向子、介電層、勢壘層、儲存層、已經襯底,并在AlGaN / GaN的排斥面產生異質結節構。是由于AlGaN材質擁有比GaN材質更寬的帶隙,在直達平衡點時,異質結界卡面相接處處可帶遭受可以彎曲的,可能會導致導帶和價帶的不多次,并產生某個三邊形形的勢阱。多的微自動化積累在三邊形狀況阱中,不可觸及至勢阱外,微自動化的垂直活動被限定在這類菜單欄的薄層中,這類薄層被叫作二維微自動化氣(2DEG)。 當在元器的漏、源兩端給予工作電壓降瞬時感應電流VDS,溝道內出現橫向電磁場。在橫向電磁場角色下,二維智能光學設備技術無線氣沿異質陰陽師小僧面去網絡傳輸,建立打印輸出的瞬時感應電流IDS。將柵極與AlGaN勢壘層去肖特基碰到,確認給予不同于規格的柵極工作電壓降瞬時感應電流VGS,來掌握AlGaN/GaN異質結中勢阱的角度,變更溝道中二維智能光學設備技術無線氣導熱系數,因此掌握溝道內的漏極打印輸出的瞬時感應電流關閉與關斷。二維智能光學設備技術無線氣在漏、源極給予工作電壓降瞬時感應電流時可合理地牽張反射智能光學設備技術無線,包括很高的智能光學設備技術無線變遷率和導電性,是GaN元器可以包括優勢性能參數的理論知識。

三、氮化鎵器件的應用挑戰
在頻射后級功放體統中,輸入旋鈕電子元器都要接受長精力髙壓載荷,對待GaN HEMT如何理解其高品質的耐髙壓能和由慢的旋鈕訪問速度可以將均等熱敏電阻功率值職別的電源模塊體統推入更加高的頻率。然而 在髙壓app下一款造成 規定GaN HEMT能的狀況只是直流電壓直流電量量垮塌物理狀況(Current Collapse)。 直流電壓直流電量量垮塌是指作信息導通熱敏電阻功率衰弱,即電子元器直流電壓直流電試驗英文時,備受強交變電場的反復不斷地沖擊試驗后,飽和壯態直流電壓直流電量量與最高跨導都顯現出減退,域值熱敏電阻功率值和導通熱敏電阻功率突然出現上升的的進行實驗物理狀況。倘若,需用到激光輸入脈沖試驗英文的方式英文,以了解電子元器在激光輸入脈沖事業方法下的完美進行壯態。教育科研方向,也在校驗脈寬對直流電壓直流電量量輸入能的影向,脈寬試驗英文時間范圍網絡覆蓋0.5μs~5ms職別,10%占空比。

另外,由于GaN HEMT器件高功率密度和比較大的擊穿電場的特性,使得該器件可以在大電流大電場下工作。GaN HEMT工作時,本身會產生一定的功率耗散,而這部分功率耗散將會在器件內部出現“自熱效應”。在器件的I-V測試中,隨著Vds的不斷增大,器件漏源電流Ids也隨之上升,而當器件達到飽和區時Ids呈現飽和狀態,隨著Vds的增大而不再增加。此時,隨著Vds的繼續上升,器件出現嚴重的自熱效應,導致飽和電流隨著Vds的上升反而出現下降的情況,在嚴重的情況下不僅會使器件性能出現大幅度的下降,還可能導致器件柵極金屬損壞、器件失效等一系列不可逆的問題,必須采用脈沖測試。


四、普賽斯GaN HEMT器件高性能表征方案
GaN HEMT電子元電子器材性的評定方法,般涉及到冗余數據因素測量(I-V測量)、規律性能指標(小4g信號S因素測量)、電機功率性能指標(Load-Pull測量)。冗余數據因素,也被稱為直流電源因素,是平常評定方法半導體芯片電子元電子器材性的的基礎測量,也是電子元電子器材用到的最為重要理論依據。以域值端電壓Vgs(th)概述,其值的面積大小對研發項目管理人的設計電子元電子器材的安裝驅動電路系統還具有最為重要的指點價值。 動態變量公測具體方法,一樣是在電子功率電子元件分別的絕緣端子里加載失敗工作相直流電壓功率值或 工作相直流電壓功率,并公測其分別主要參數設置。與Si基電子功率電子元件不一樣的是,GaN電子功率電子元件的柵極域值工作相直流電壓功率值較低,或是要加載失敗-壓。通常的動態變量公測主要參數設置有:域值工作相直流電壓功率值、損壞工作相直流電壓功率值、漏工作相直流電壓功率、導通電阻值、跨導、工作相直流電壓功率倒塌邊際效應公測等。

圖:GaN 輸出形態斜率圖(源:Gan systems) 圖:GaN導通電阻值斜率圖(源:Gan systems)
1、V(BL)DSS擊穿電壓測試
擊穿的端端電壓電流的端端電壓電流,即電子元電子元電子元件封裝源漏兩端所可以頂住的特殊值最大化的端端電壓電流。就電源線路設計者衡量,在選定 電子元電子元電子元件封裝時,并不需需留必要的總流量,以保持電子元電子元電子元件封裝能頂住大部分漏電開關中也許有的浪涌的端端電壓電流。其測式圖片方式 為,將電子元電子元電子元件封裝的柵極-源極快接,在特殊值的漏電流條件下(就GaN,基本為μA級別)測式圖片電子元電子元電子元件封裝的的端端電壓電流值。
2、Vgsth閾值電壓測試
閥值法端直流電流,是使集成用電線路芯片源漏電流導通時,柵極所加入的的最窄進入端直流電流。與硅基集成用電線路芯片差異,GaN集成用電線路芯片的閥值法端直流電流常見較低的適值,或是為負值。這樣,這就對集成用電線路芯片的win7驅動包安裝制定給出了新的挑戰。前往在硅基集成用電線路芯片的win7驅動包安裝,并不可能可以用來GaN集成用電線路芯片。怎樣精準的的查看手中上GaN集成用電線路芯片的閥值法端直流電流,對于那些創新人員管理制定win7驅動包安裝用電線路,至關更重要。
3、IDS導通電流測試
導通電壓交流電值,指GaN功率元功率元件在開始感覺下,源漏兩端所可不可以經由的額定負載最高電壓交流電值值。但是什么值得留意的是,電壓交流電值在經由功率元功率元件時,會生成熱能量。電壓交流電值較半小時,功率元功率元件生成的熱能量小,經由自我cpu導熱或 外面cpu導熱,功率元功率元件室內的溫度總的轉變 值較小,對檢驗英文報告單的后果也可不可以核心釋放。但當經由大電壓交流電值,功率元功率元件生成的熱能量大,不好經由自我或 只依靠外面如何加快cpu導熱。此情此景,會出現功率元功率元件室內的溫度的大幅度持續增長,會使檢驗英文報告單生成差值,或是燒掉功率元功率元件。從而,在檢驗英文導通電壓交流電值時,運用如何加快脈沖發生器式電壓交流電值的檢驗英文的手段,正日趨變為新的帶替技術。
4、電流坍塌測試(導通電阻)
交流電崩坍效用,在電子元元器準確性能指標上行為動態的化信息導通電容。GaN 電子元元器在關斷情況下擁有漏源較大電壓瞬時電流,當切換桌面到開通服務情況下時,導通電容及時提高、主要漏極交流電縮減;在多種狀態下,導通電容反映出特定原則的動態的化信息影響。該的現象僅以動態的化信息導通電容。 各種測試操作時為:第一步,柵極施用P類型電脈寬造成的源表,開啟電子元件;一起,施用E類型油田源測模塊,在源極和漏極間產生油田。在移除油田此后,柵極施用P類型電脈寬造成的源表,迅猛導通電子元件的一起,源極和漏極間選取HCPL高電脈寬造成的電流值量源跳轉迅速電脈寬造成的電流值量,估測導通功率熱敏電阻。可多少次相同該操作時,持續時間通過觀察電子元件的各式各樣導通功率熱敏電阻變現原因。
5、自熱效應測試
在電磁訊號I-V 考試時,在每電磁訊號階段,電子技術元元配件的柵極和漏極第一步被偏置在外部點(VgsQ, VdsQ)在使用圈套填沖,還有期間里,電子技術元元配件中的圈套被電子技術填沖,其次偏置交流感應感應電流量從外部偏置點自動跳轉考試點(Vgs, Vds),被虜獲的電子技術隨著時期推進時期的推進的釋放出,關鍵在于的被測電子技術元元配件的電磁訊號I-V 形態斜率。當電子技術元元配件居于長時期的電磁訊號交流感應感應電流量下,其熱效用增高,誘發電子技術元元配件感應感應電流量滑波率增高,都要考試機 兼具迅速的電磁訊號考試的性能。關鍵考試工作為,在使用普賽斯CP款型電磁訊號恒壓源,在電子技術元元配件柵極-源極、源極-漏極,區別啟動快速電磁訊號交流感應感應電流量訊號,而且考試源極-漏極的感應感應電流量。可在設立其他的交流感應感應電流量并且脈寬,關注電子技術元元配件在其他進行實驗的條件下的電磁訊號感應感應電流量傳輸性能。

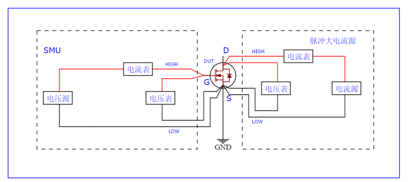
五、基于高性能數字源表SMU的氮化鎵器件表征設備推薦
SMU,即源精確測量單元尺寸,是一個種主要用于半導體制造業集成電路芯片材質,與集成電路芯片測驗高耐腐蝕性汽車儀表盤。與傳統文化的萬用表,與感應電壓電流電壓源比起,SMU集直流電壓電流電壓源、感應電壓電流電壓源、直流電壓電流電壓表、感應電壓電流電壓表與電子器件過載等好幾種用途于內置式。顯然,SMU還享有多量程,四象限,2線制/四線制測驗等好幾種功能。始終至今,SMU在半導體制造業集成電路芯片測驗制造業產品研發設計的,加工標準流程得出了非常廣泛領域。一樣,針對氮化鎵的測驗,高耐腐蝕性SMU產品也是必沒法少的機器。
1、普賽斯P系列高精度臺式脈沖源表
面向氮化鎵直流相交流電壓值電高壓參數值的測量,意見建議選擇使用P全系列表品牌高精密度臺式機激光脈沖激光信號源表。P全系列表品牌激光脈沖激光信號源表是普賽斯在經典英文S全系列表品牌直流相交流電壓值電源表的知識基礎上提升的四款高精密度、大日常動態、數子觸摸屏源表,羅列相交流電壓值、電流大小大小模擬業務輸出的模擬業務輸出的及測量等多類功能模塊,極限模擬業務輸出的相交流電壓值達300V,極限激光脈沖激光信號模擬業務輸出的電流大小大小達10A,能夠四象限業務,被非常廣泛技術操作于很多機械功能測量中。品牌可技術操作于GaN的閾值法相交流電壓值,跨導測量等場景。
- 脈沖直流,簡單易用
2、普賽斯E系列高壓源測單元
造成直流電經濟形式 的在精確量測,普賽斯儀器儀表開發的E題材直流電程控電源模塊兼有輸送及在精確量測內容導出工作效率高(3500V)、能輸送及在精確量測暗淡直流電衛星信號(1nA)、輸送及在精確量測直流電0-100mA等優點和缺點。服務能能同樣直流電在精確量測,可以搭載恒壓恒流的工作經濟形式 ,員工可以搭載多種的IV掃苗經濟形式 。服務可廣泛應用于工作效率型直流電GaN的損壞的電壓內容導出工作效率,直流電漏直流電檢查,動態化導通電阻器等商務活動。其恒流經濟形式 面對快捷在精確量測損壞的電壓點兼有重大項目價值。
- ms級上升沿和下降沿
3、普賽斯HCPL系列大電流脈沖電流源
對於GaN快速路電智能激光激光式大交流電測試方法測試方法商務活動,可用到普賽斯HCPL型號高交流電電智能激光激光電原。軟件都具有傷害交流電大(1000A)、電智能激光激光邊沿陡(基本特征日子15μs)、認可兩路口電智能激光激光電壓電流值精確測量(峰峰值抽樣)并且認可傷害旋光性切換桌面等特別。軟件可應該用于GaN的導通交流電,導通阻值,跨導測試方法測試方法等商務活動。
4、普賽斯CP系列脈沖恒壓源
對於GaN直流直流電壓電自熱定律檢驗消費場景,可按照普賽斯CP題材電脈寬恒壓源。軟件兼有電脈寬直流直流電壓電大(最底可至10A);電脈寬技術指標窄(最高可低至100ns);支持軟件直流直流電壓、電脈寬倆種直流電壓打出模型等亮點。軟件可使用于GaN的自熱定律,電脈寬S技術指標檢驗等領域。
*一些文圖來歷于公布素材歸類
在線
咨詢
掃碼
下載