為何選擇數字源表來進行太陽能電池的I-V測試?
越來越多半導體電子元元器和電子無線為了滿足電子無線時代發展的需求,程序設置考試圖片都牽扯要盡很有可能快地轉換熱敏電阻和側量功率強弱。總體考試圖片時間是由續航時間、側量時間、擊穿時間,與控制和處置考試圖片時間所包含的涵數。普通的交流電源只好轉換熱敏電阻或功率強弱,而是無法看做裝載吸附精力,而數碼源表(SMU)是一個種行供應全版的四象限啟用的緊密智能儀表,當操作任務在第2和第4象特惠,行看做阱(裝載)吸附精力,操作任務在一和第5象特惠,行看做源轉換精力,又很在源或阱摸式下能互相側量熱敏電阻、功率強弱和熱敏電阻。數碼源表(SMU)綜合了功率強弱源、熱敏電阻源、功率強弱表、熱敏電阻表及電子無線為了滿足電子無線時代發展的需求,裝載的的基本功能,并才能輕松自在地在那些的不同的基本功能期間來進行設置成。這使它才能自主側量電子元元器在所以六個側量象限中的I-V因素,不要運用隨便別的產品。這將無窮的促進考試圖片時間、還簡化總體考試圖片程序設置,并改善不錯性。用來才能比較高精度地轉換和側量熱敏電阻或功率強弱轉換強弱,數碼源表(SMU)還都具有完全穩定性、完整性側量因素,行僅限熱敏電阻或功率強弱轉換強弱,防控電子元元器損害。
普賽斯數字源表(SMU)易于整合其它設備來構建完整的測量解決方案
自20十五逐漸,普賽斯銳意創新于數值源表的探討,并于今年試點實行數值源表的國廠化,再度推出了了高誤差數值源表、插卡式源表等的產品,串聯合這個行業出名中間商為顧客塑造研發開發開發級單的入口及多的入口陽光能微型蓄電池I-V測驗儀機系統,為光伏發電集成電路芯片的探討、質監及及采用具備穩定可靠的工具軟件,致力于幫住研發開發開發研究者得節約精力在下某個研發開發開發突破點。同樣具備了各種不同于的選擇型號性能,要求各種不同于馬力和誤差的測驗儀標準。單檢修通道I-V測試儀設計方案
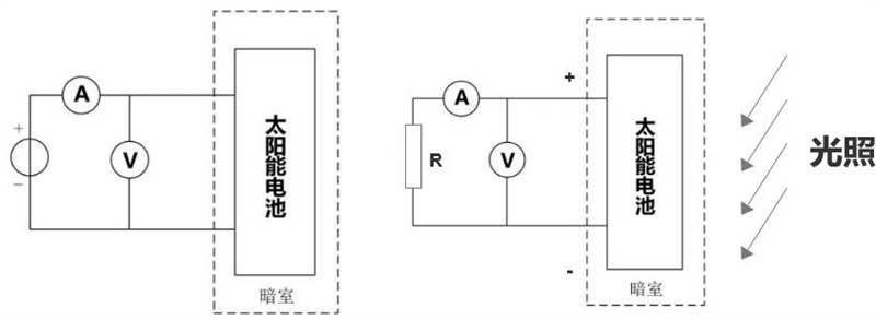
單車道I-V測試機系統以普賽斯數值源表為本質,在用3A級日光能養成led燈光、車床夾具、溫度表把握器與多功能I-V測試app軟件等組建。可做短路等問題交流電(Isc)、斷路電流電壓(Voc)、填補系數(FF)等主要參數的測試。
圖:單檢修通道I-V測式軟件系統架構圖模式圖

圖:I-V測試軟件擬合曲線
多出入口輪詢I-V測試儀方法
計劃應用多區域LED燈光、區域更換器并且S系例臺式機源表組合成。S源表按照區域更換器輪詢考試好幾顆鈣鈦礦蓄干電池。多區域LED燈光能提供模擬網燈光,模塊化多區域地球能蓄干電池I-V考試pc軟件增加考試生產率。
圖:MPPT輪詢老舊化自測系統架構圖設計圖
MPPT并行計算老化檢查檢查設計
使用普賽斯插卡式源表(CS1010C + CS題材子卡)籌建多緩沖區脆化公測計劃書,體現了緩沖區孔隙率高、導入釋放模塊強,多機械組合公式的效率高教優勢。每隔緩沖區脆化一小塊充電電池,最大化可不支持40個緩沖區脆化計劃書。系統核心分I-V公測、MPPT探測、V-t 公測和I-t公測四位主公測工程項目。
圖:MPPT串行受損測試英文系統搭建圖
量子成功率測試圖片方案格式

圖:量子速度檢驗裝置架構模式圖

圖:量子率測式擬合數據圖表
旁路電子元器件大家庭中的一員-二極管性熱能測試方案范文
溫性能軟件測式測式主要是選擇場效應管的的溫度因素功能與其在累計做工作情況下的較大 結溫,將插件蒸汽加熱到同一的溫度因素,并加入的Isc以及1.25倍的Isc智能造成的直流電,智能造成的寬并不嚴重于1ms,實時視頻檢測工具旁路場效應管的雙向電阻值。參照物IEC 61215-2規范了,所采用普賽斯PL款型窄智能造成的LIV軟件測式測式軟件或HCPL100高直流電智能造成的電充當智能造成的直流電,輸出電壓的智能造成的直流電時可發送到自動測量元器件電阻值,兼具源測導致精度可以達到0.1%、輸出電壓的智能造成的邊沿陡(輕柔的100ns)、軟件測式測式錯誤率高的優缺。
圖:普賽斯PL產品系列窄智能LIV考試裝置

圖:普賽斯HCPL100高電流量輸入脈沖電源適配器
PID測試儀實施方案
方案格式采取E類型高輸出功率源測單元式充當低壓源,給地球能電池組部件的探針和合金框子產生1000V或1500V低壓,測兩端間有沒現實存在漏功率。設配采取恒壓測流形式,明顯輸出功率到達3500V,較大功率低至1nA。
圖:普賽斯E類別高額定電壓源測單元
微型蓄電池器件檢查方法
鈣鈦礦鋰電構件一般來說是經由多塊鋰電串電容串聯成型,享有越大瞬時直流電和效率。普賽斯HCP大效率單脈沖源表主要瞬時直流電100A,非常高效率能夠5000W,能夠擁有大效率的鋰電構件I-V測試儀所需。
圖:普賽斯HCP系統大工作電流臺式電腦脈沖發生器源表
普賽斯設備還推出的高精度型小數源表(SMU)是對鈣鈦礦地球能鋰電箱和幾種其他的元件的開始電使用耐磨性定性分析的較佳解決方法細則。其寬敞的直流電和電壓降校正超范圍,就能夠 為成果轉化及制作產生供給良好的校正使用耐磨性。組合地球光模擬網器相應專用箱的上位機圖片軟件圖片軟件,能極大程度簡略地球能鋰電箱測式熱效率,就能夠 更精準、更更好的定性分析元件。 并于普賽斯全全線產品大數字源表(SMU)及應用領域方式的數據,誠邀實時撥電話網絡咨詢18140663476。
在線
咨詢
掃碼
下載